• 500L Beer Fermenter With Side Manhole
500L Beer Fermenter With Side Manhole

207.jpg

Contact us

Product Description

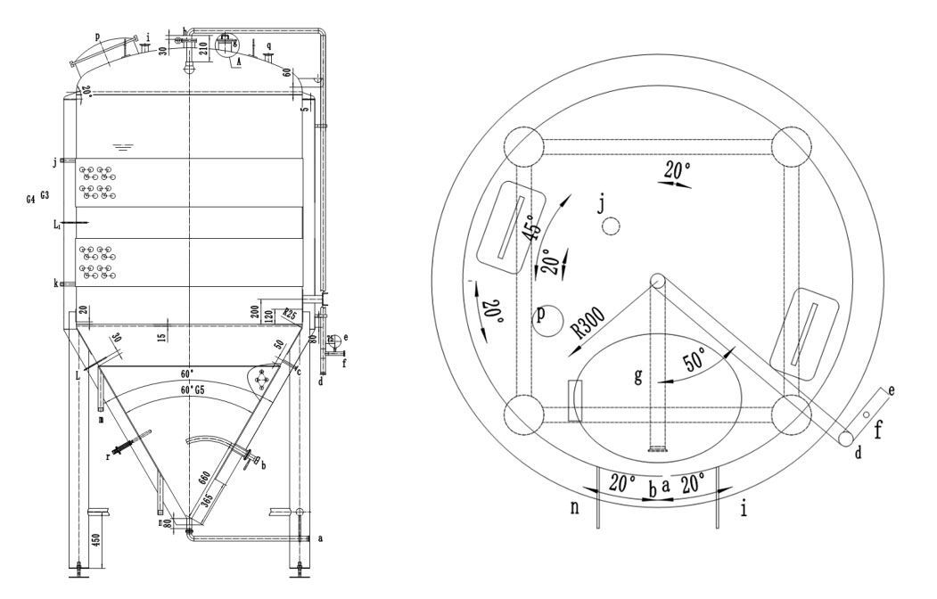
III. Fermentation system

191.jpg

176.jpg

195.jpg

500L Fermentation tank

Overall dimension

Φ960*2276(H)mm or customized

Tank capacity

500L + at least 25% head space

Material

SUS304 food grade

Thickness

3mm inner/2mm outer

Welding

100%  TIG/GTAW

Interior finish

overall polishing to 0.2~0.4 μm without dead corner

Glycol jacket

dimpled plate on cone and side, auto cooling

Head

dish head, 3mm

Manhole

on Top, sanitary SUS304

Insulation

Polyurethane, 80mm

CIP

360° spray revolving ball

 Temperature sensor

thermowell for high accuracy temperature sensor(PT100), 3 pcs for each tank

Pressure control

sanitary mechanical exhaust check valve, pressure guage equipped

Sampling valve

full sanitary stainless steel

Legs

3pcs SUS304 heavy duty legs

Pre-shipment test

48 hours  pressure/leakage test

Message

Submit

Products Recommended